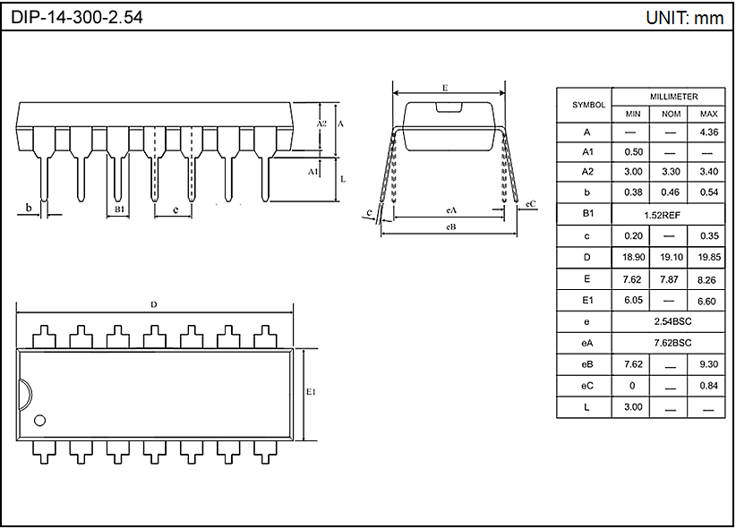
DIP-14-300-2.54