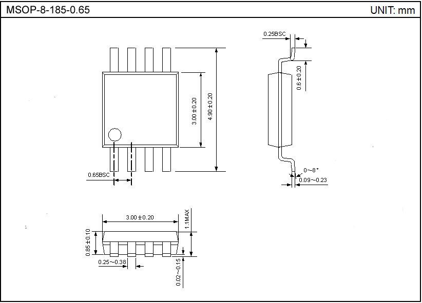
MSOP-8-185-0.65