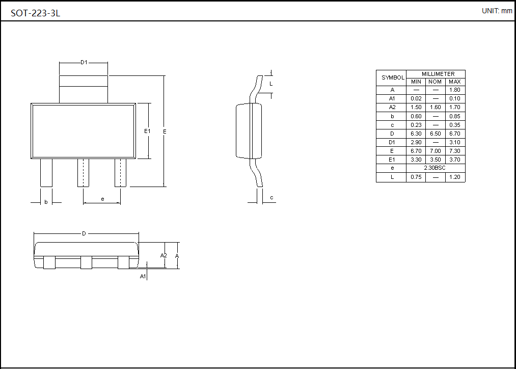
SOT-223-3L