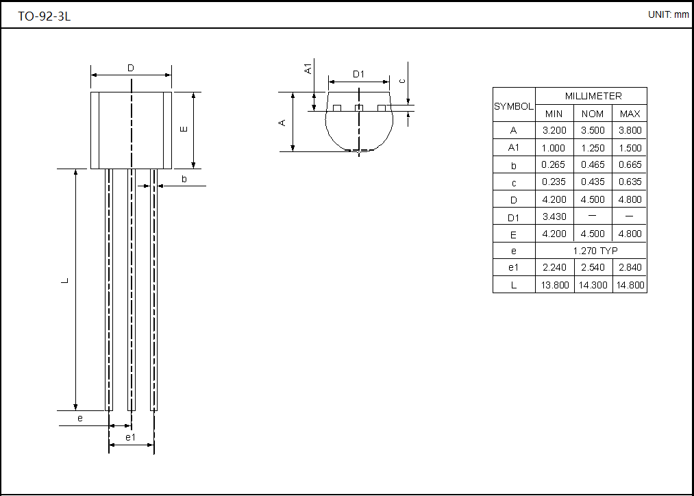
TO-92-3L