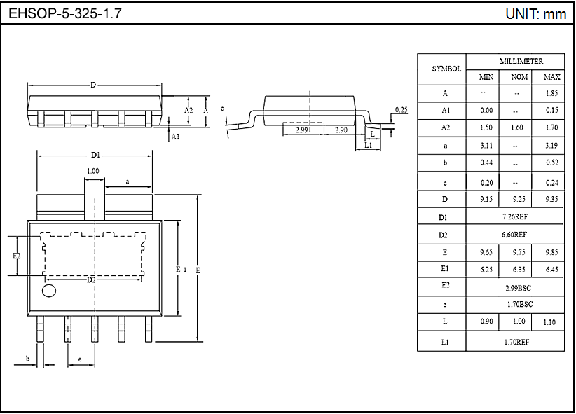
EHSOP-5-325-1.7