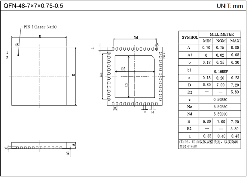
QFN-48-7×7×0.75-0.5