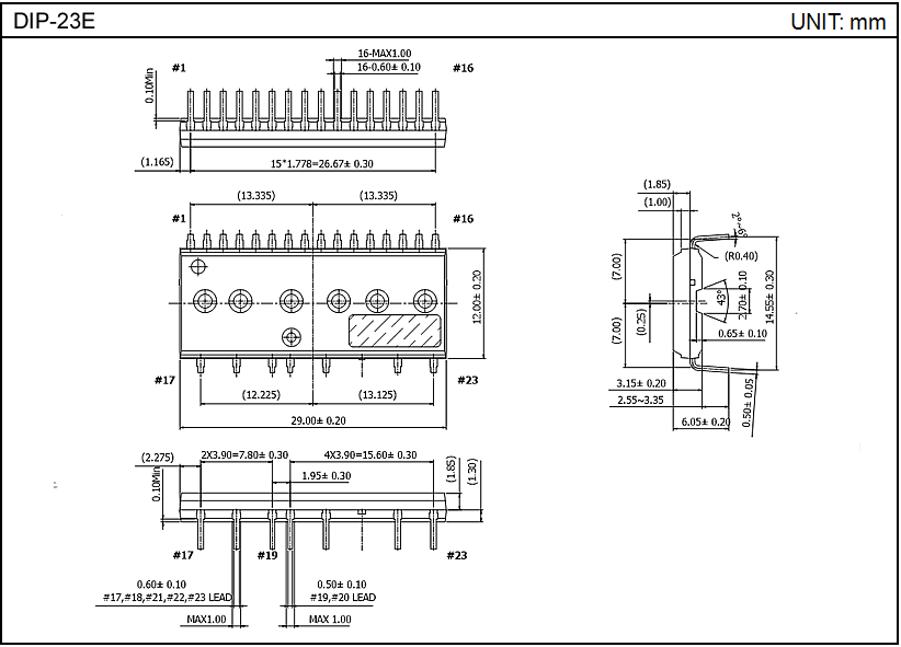
DIP-23E