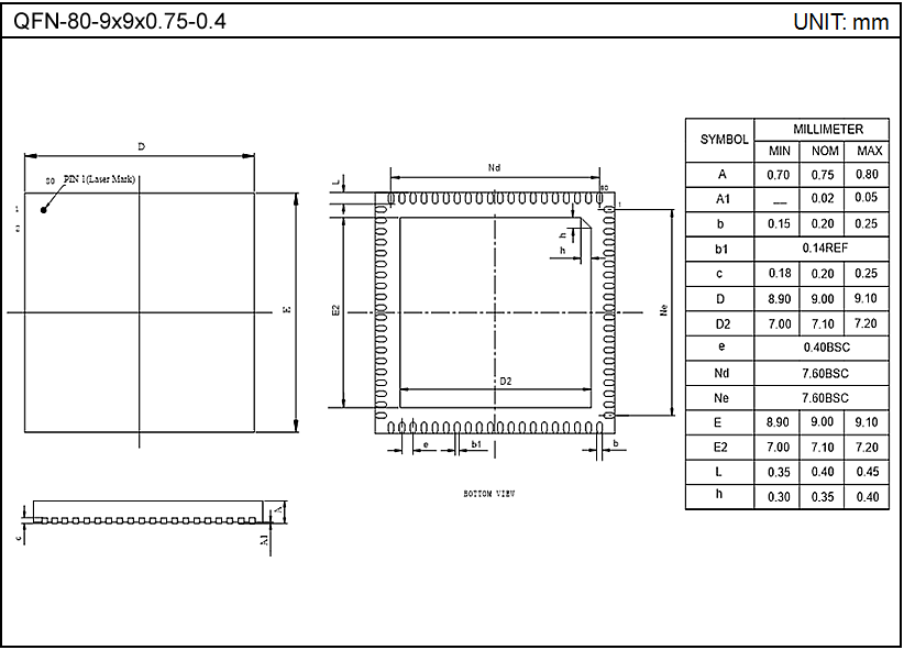
QFN-80-9×9×0.75-0.4