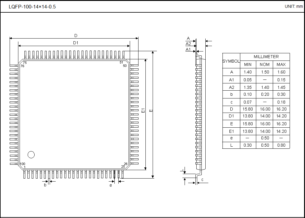
LQFP-100-14×14-0.50