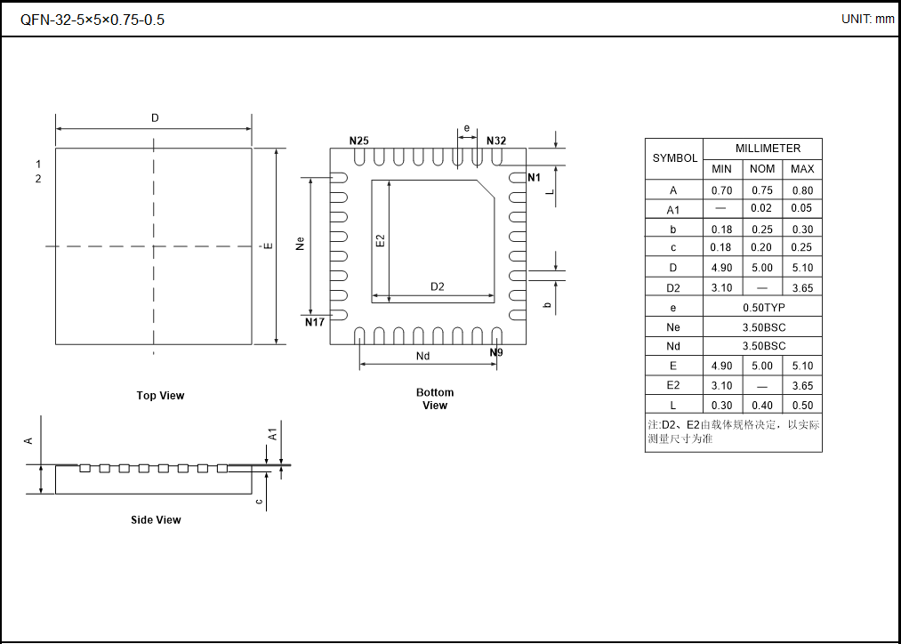
QFN-32-5×5×0.75-0.5