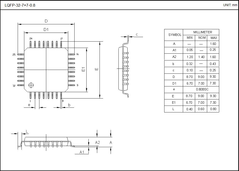
LQFP-32-7×7-0.8