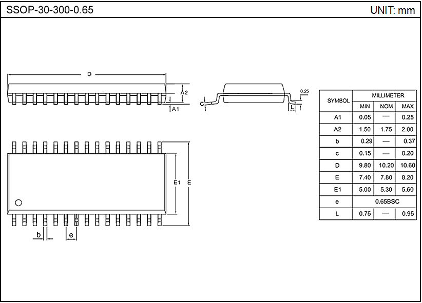
SSOP-30-300-0.65