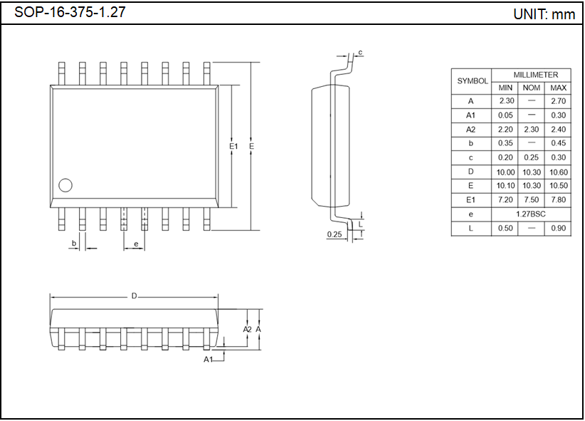
SOP-16-375-1.27