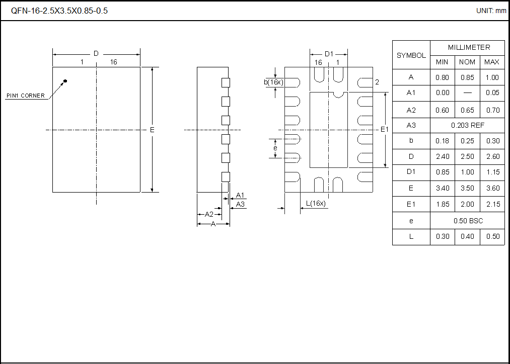
QFN-16-2.5X3.5X0.85-0.5