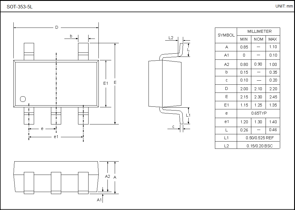
SOT-353-5L