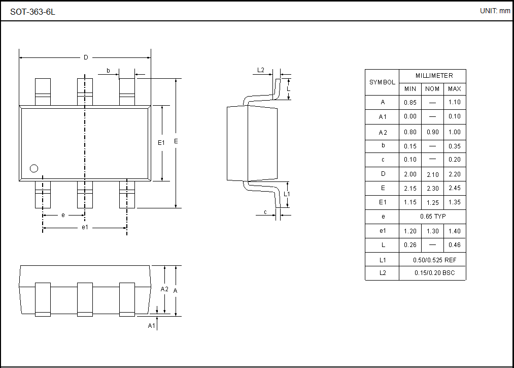
SOT-363-6L