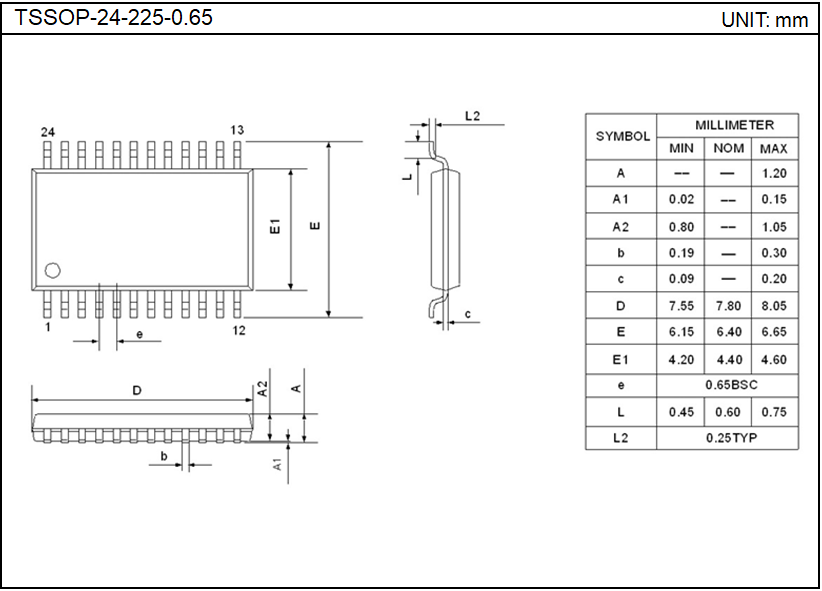
TSSOP-24-225-0.65