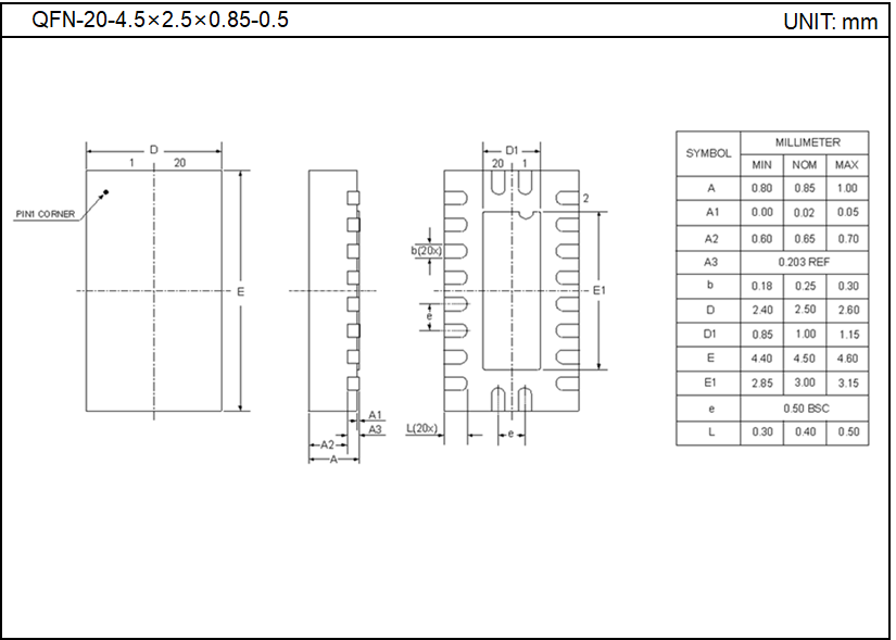
QFN-20-4.5×2.5×0.85-0.5