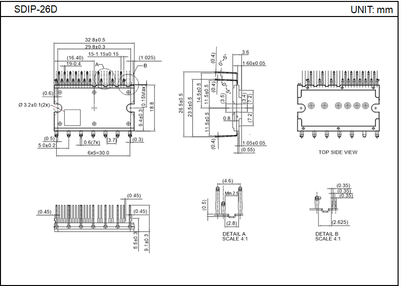
SDIP -26D