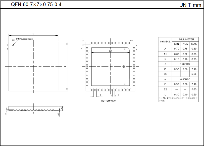
QFN-60-7×7×0.75-0.4