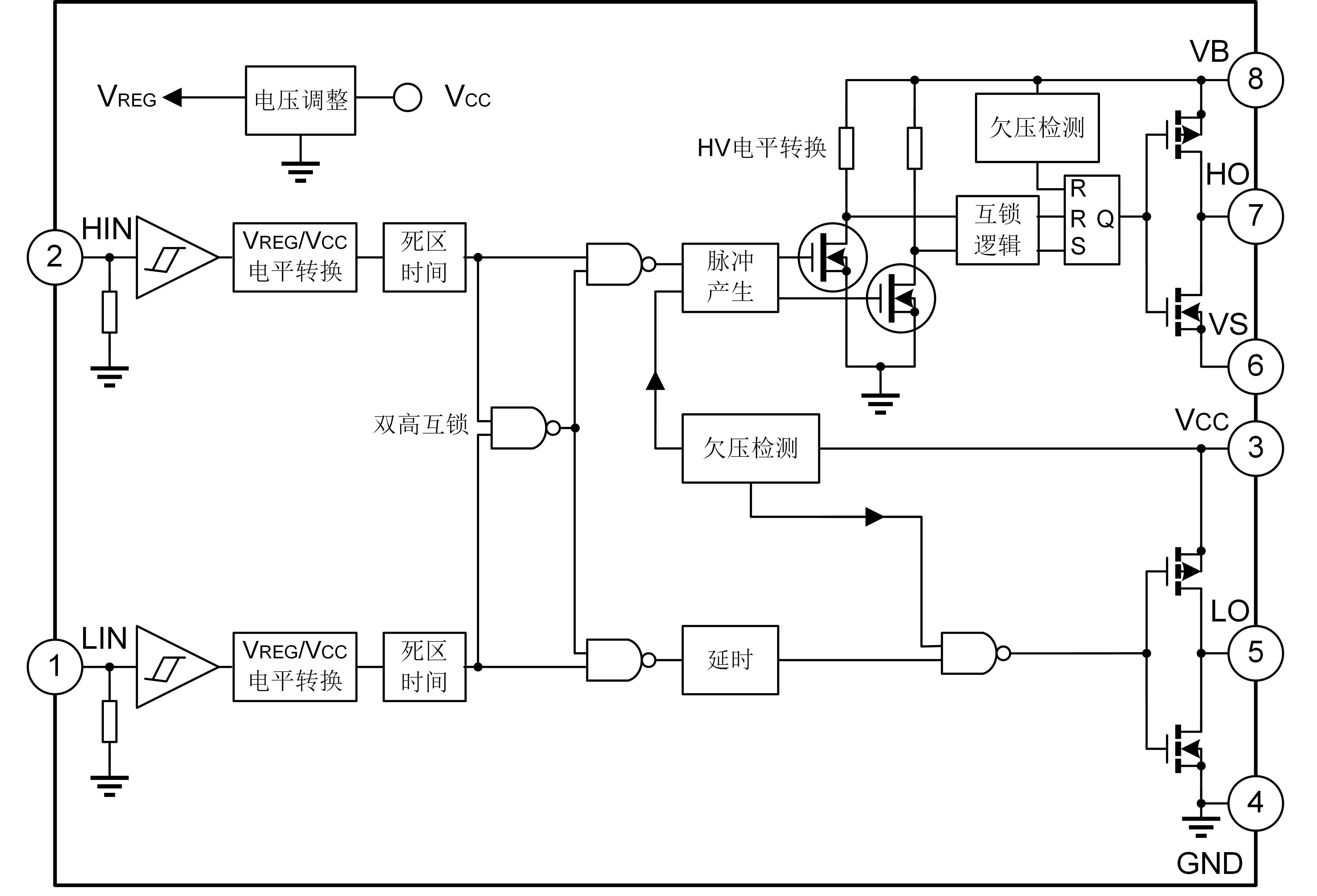
SDH2105U是用作N型功率MOSFET和IGBT等高压功率器件的半桥驱动电路。它内置欠压保护,防止功率管在低的控制电压下工作;具有高低侧输入信号双高互锁保护功能以及内置死区时间,可确保功率管上下桥臂不会同时导通。
高侧浮动偏移电压600V
输出电流+0.35 A / -0.70A
输入逻辑兼容3.3V / 5V / 15V
高低侧输入信号双高互锁保护
欠压(UV)保护
内置死区时间
dV/dt误动作防止功能
| 产品名称 | 封装形式 | 打印名称 | 环保等级 | 包装 | 备注 |
|---|---|---|---|---|---|
| SDH2105U | SOP-8-225-1.27 | SDH2105U | 无卤 | 料管 | |
| SDH2105UTR | SOP-8-225-1.27 | SDH2105U | 无卤 | 编带 |

| 标题 | 类型 | 大小 (KB) | 日期 | 下载最新中文版本 |
|---|---|---|---|---|
| SDH2105U | 219 | 2023-12-12 | SDH2105U 简要版说明书 |