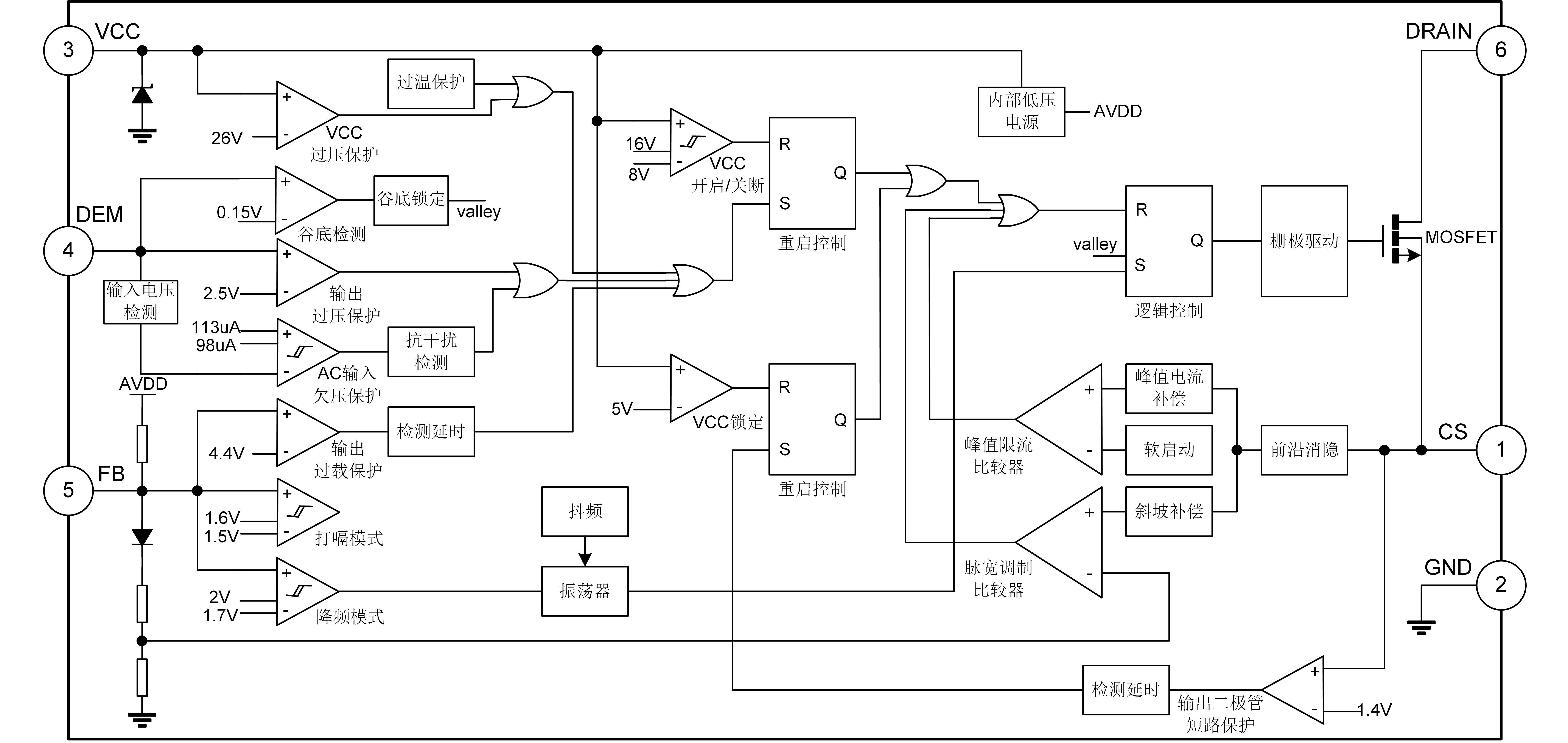
SD8665QS是用于开关电源的内置高压功率MOSFET、外置采样电阻的准谐振电流模式PWM+PFM控制器。
SD8665QS具有多重模式控制:在重载下,高压时工作在QR模式,可以减小开关损耗,低压时工作固定频率(65KHz)的CCM模式。在中载和轻载下,工作在QR+PFM模式,可以提高转换效率。在空载下,进入打嗝模式,有效地降低电路的待机功耗。
SD8665QS具有抖频功能,以降低EMI。具有峰值电流补偿功能,在不同的AC输入电压下能保持极限输出功率一致。还有软启动功能,在上电过程中减小器件应力。
SD8665QS内部集成了各种异常状态的保护功能,包括VCC过压保护,输出过载保护,输出过压保护,前沿消隐,逐周期峰值限流,输出二极管短路保护,AC输入电压欠压和过温保护等。
QR模式改善EMI和减小开关损耗
轻载下的PFM模式提高效率
空载时进入打嗝模式
低压重载升频提高极限输出功率
抖频改善EMI
峰值电流补偿
软启动
VCC过压保护
输出过载保护
前沿消隐
逐周期峰值限流
输出二极管短路保护
AC输入电压欠压保护
外部可设的输出过压保护
过温保护
| 产品名称 | 封装形式 | 打印名称 | 环保等级 | 包装 | 备注 |
|---|---|---|---|---|---|
| SD8665QS | EHSOP-5-325-1.7 | SD8665QS | 无卤 | 料管 | |
| SD8665QSTR | EHSOP-5-325-1.7 | SD8665QS | 无卤 | 编带 |

| 标题 | 类型 | 大小 (KB) | 日期 | 下载最新中文版本 |
|---|---|---|---|---|
| SD8665QS | 270 | 2023-08-24 | SD8665QS 简要版说明书 |