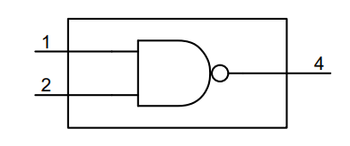
SLP74LVC1G00设计用于1.65V至5.5V的VCC操作,并提供单2输入NAND功能,执行布尔函数。
该器件完全适用于使用IOFF的部分断电应用。IOFF电路使输出失效,防止在设备断电时产生有害的回流电流。
1.65V至5.5V的电源电压范围
输入接受高达5V的电压
在3V时输出可驱动24mA电流
低功耗CMOS设计
ESD防护性能:
HBM超过2000V
CDM超过1000V
抗闩锁能力超过100mA
工作温度范围-40°C ~ +85°C和-40°C ~ +125°C

图一 功能图

图二 逻辑框图