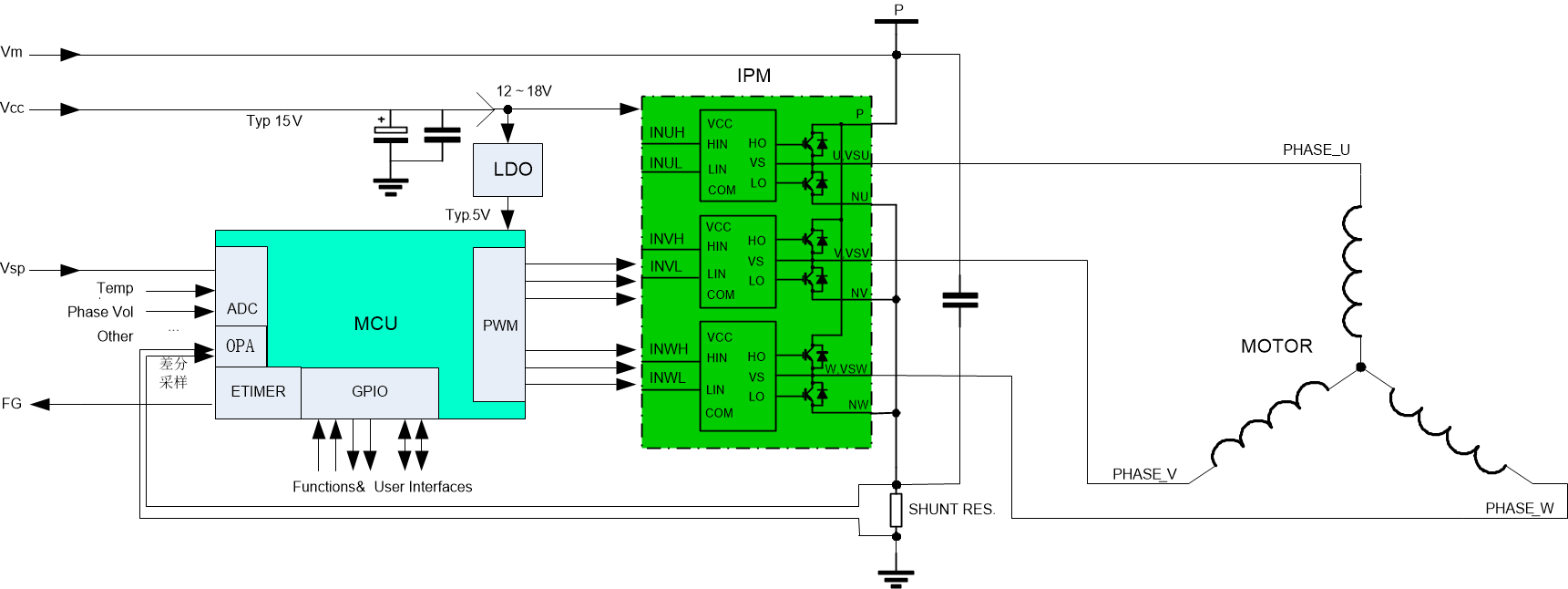
For the application of onboard DC fans, the whole machine scheme uses MCU (SC32F5632, SC32F5664) + IPM (SD02M60DAS). The scheme is compatible with three resistance or single resistance current sampling. The motor can achieve reliable and rapid closed-loop start under the improved sensorless algorithm, and can also start under the conditions of downwind and upwind. Control methods such as open-loop control, constant speed control, constant power control and constant air flow control can be selected, and the control modes can be switched.Off-line parameters can be compatible with various motor parameters and meet the needs of different applications, which can provide customers with highly competitive solutions.
The fan hardware scheme of MCU+IPM is as follows.
