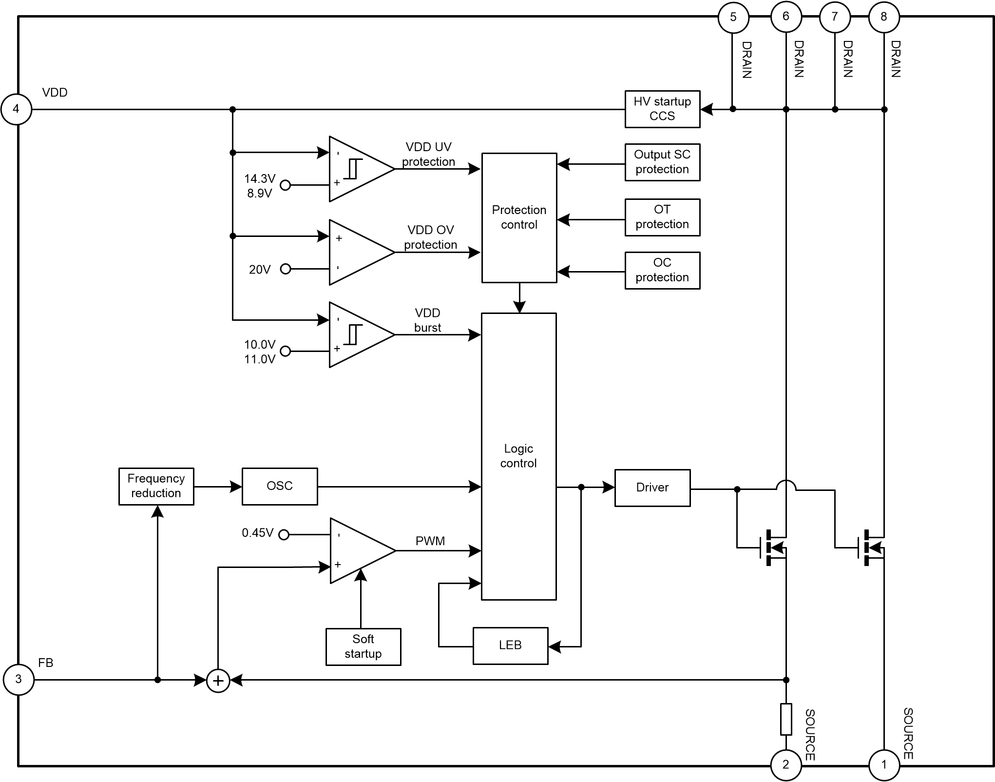
SD4931 is the 100V high-voltage MOSFET current mode PWM controller for Switching power supply.
SD4931 integrates high-voltage startup circuit and it enters burst mode with light load for lowing the standby power dissipation. It features the frequency reduction function to optimize the conversion efficiency at light load; the soft startup function reduces the device stress to avoid transformer saturation; the VDD burst function not only prevents VDD restart at under voltage condition, but also reduces the standby power dissipation. SD4931 integrates various protections, including VDD undervoltage protection, VDD overvoltage protection, LEB, output short-circuit protection, over current protection, over temperature protection, etc. Meanwhile, the circuit will continue to restart automatically until the system restores.
20V~100V input voltage
12~15V output voltage
1A output current
High-voltage startup
Burst mode at light-load
Frequency reduction
Soft startup
VDD burst
VDD under voltage protection
VDD over voltage protection
LEB
Output short-circuit protection
Over current protection
Over temperature protection
| Product Name | Package form | Marking | Hazardous Substance Control | Packing Type | Remarks |
|---|---|---|---|---|---|
| SD4931TR | SOP-8-225-1.27 | SD4931 | Halogen free | Tape & Reel | |
| SD4931 | SOP-8-225-1.27 | SD4931 | Halogen free | Tube |

| title | Types of | Size (KB) | date | Download the latest English version |
|---|---|---|---|---|
| SD4931 | 0 | 2020-09-15 | SD4931 Brief Datesheet |