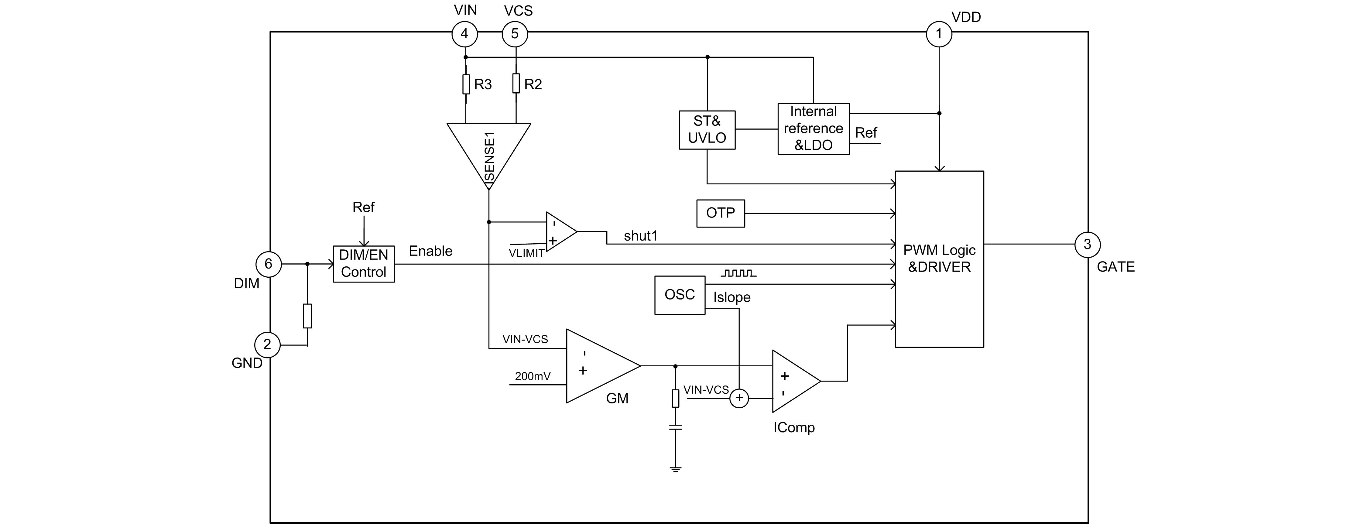
The SD42530 is a buck LED driver with external power MOSFET, it can be used to drive one or more LEDs in series in BUCK mode. Its input voltage ranges from 8V to 80V, the output current is adjustable with good constant current accuracy. It provides built-in temperature protection, current limit protection, output short circuit protection, etc.
The SD42530 adopts current mode control which provides fast transient response, excellent constant current characteristic and simple loop stabilization design. It has high efficiency: 96% for buck mode.
8-80V input voltage range;
External MOSFET;
Linear dimming and PWM dimming;
350kHz fixed frequency;
Closed-loop regulation, with high output current accuracy;
Over temperature protection;
Frequency jitter;
Output short circuit protection;
Cycle-by-cycle over current protection.
| Product Name | Package form | Marking | Hazardous Substance Control | Packing Type | Remarks |
|---|---|---|---|---|---|
| SD42530TR | SOT-23-6L | / | Halogen free | Tape&Reel |

| title | Types of | Size (KB) | date | Download the latest English version |
|---|---|---|---|---|
| SD42530 | 0 | 2021-06-16 | SD42530 Brief Datasheet |