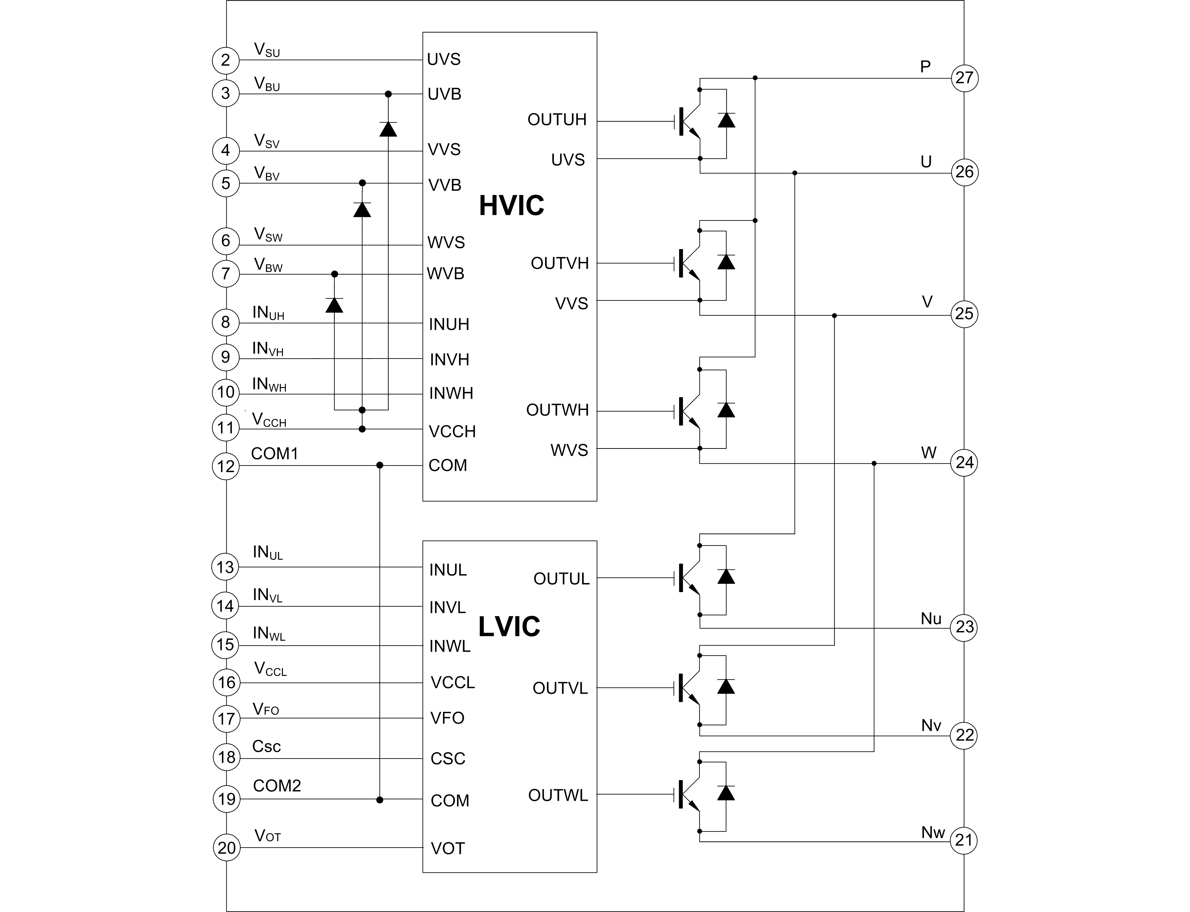
SDM15L60RA is a 3-phase brushless DC motor driver with high integration and high reliability for low power inverter driving such as air conditioner, refrigerator and dishwasher. It has embedded six low-loss IGBTs and 3-phase full-bridge gate drivers with high voltage.
The under voltage, short circuit and over temperature protections integrated make the circuit work safely in a wide range. The current of each phase can be detected separately because there is one independent negative DC terminal for each phase.
SDM15L60RA uses high-insulation design, compact package and carries heat easily, which makes it easy to use especially for compact installation applications.
Built-in low-loss 600V/15A RC IGBT
Built-in high-voltage integrated circuit of gate driver
Built-in under voltage protection, over temperature protection, over current protection and temperature output
Built-in bootstrap diode with current limiting resistor
Compatible with 3.3V, 5V MCU interface, active high
Three independent negative DC terminal for inverter current detection
Alarm signal: for low-side under voltage, over temperature and short circuit protections
Very low thermal resistance using Al2O3 DBC substrate
Insulation level: 2000Vrms/min
| Product Name | Package form | Marking | Hazardous Substance Control | Packing Type | Remarks |
|---|---|---|---|---|---|
| SDM15L60RA | SDIP-26A | SDM15L60RA | Halogen Free | Tube |

| title | Types of | Size (KB) | date | Download the latest English version |
|---|---|---|---|---|
| SDM15L60RA | 0 | 2021-12-21 | SDM15L60RA Brief Datasheet |