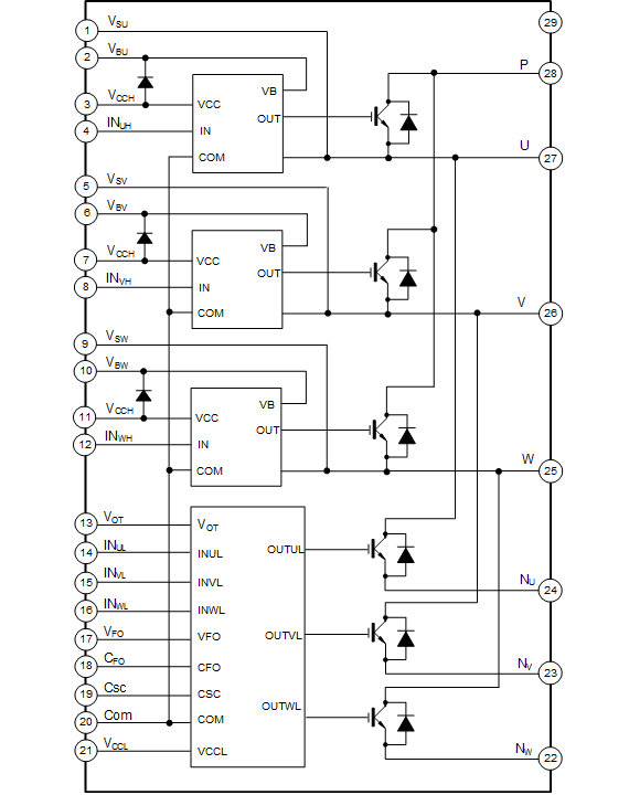
SDM50N60FA is a 3-phase brushless DC motor driver with high integration and high reliability for high power inverter driving such as air conditioner, low power inverter. It has embedded six low-loss IGBTs and 3-phase half-bridge gate drivers with high voltage.
The under voltage, short circuit and temperature output integrated make the circuit work safely in a wide range. The current of each phase can be detected separately because there is one independent negative DC terminal for each phase.
SDM50N60FA uses high-insulation design, compact package and carries heat easily, which makes it easy to use especially for compact installation applications.
Built-in low-loss 600V/50A IGBT
Built-in high-voltage integrated circuit of gate driver
Built-in under voltage protection, over current protection and temperature output
Built-in bootstrap diode with current limiting resistor
Compatible with 3.3V, 5V MCU interface, active high
Three independent negative DC terminal for inverter current detection
Alarm signal: for low-side under voltage, and short circuit protections
Very low thermal resistance using Al2O3 DBC substrate
Insulation level: 2500Vrms/min
| Product Name | Package form | Marking | Hazardous Substance Control | Packing Type | Remarks |
|---|---|---|---|---|---|
| SDM50N60FA | DIP-29A | SDM50N60FA | Halogen free | Tube |

| title | Types of | Size (KB) | date | Download the latest English version |
|---|---|---|---|---|
| SDM50N60FA | 0 | 2022-10-20 | SDM50N60FA Brief Datasheet |