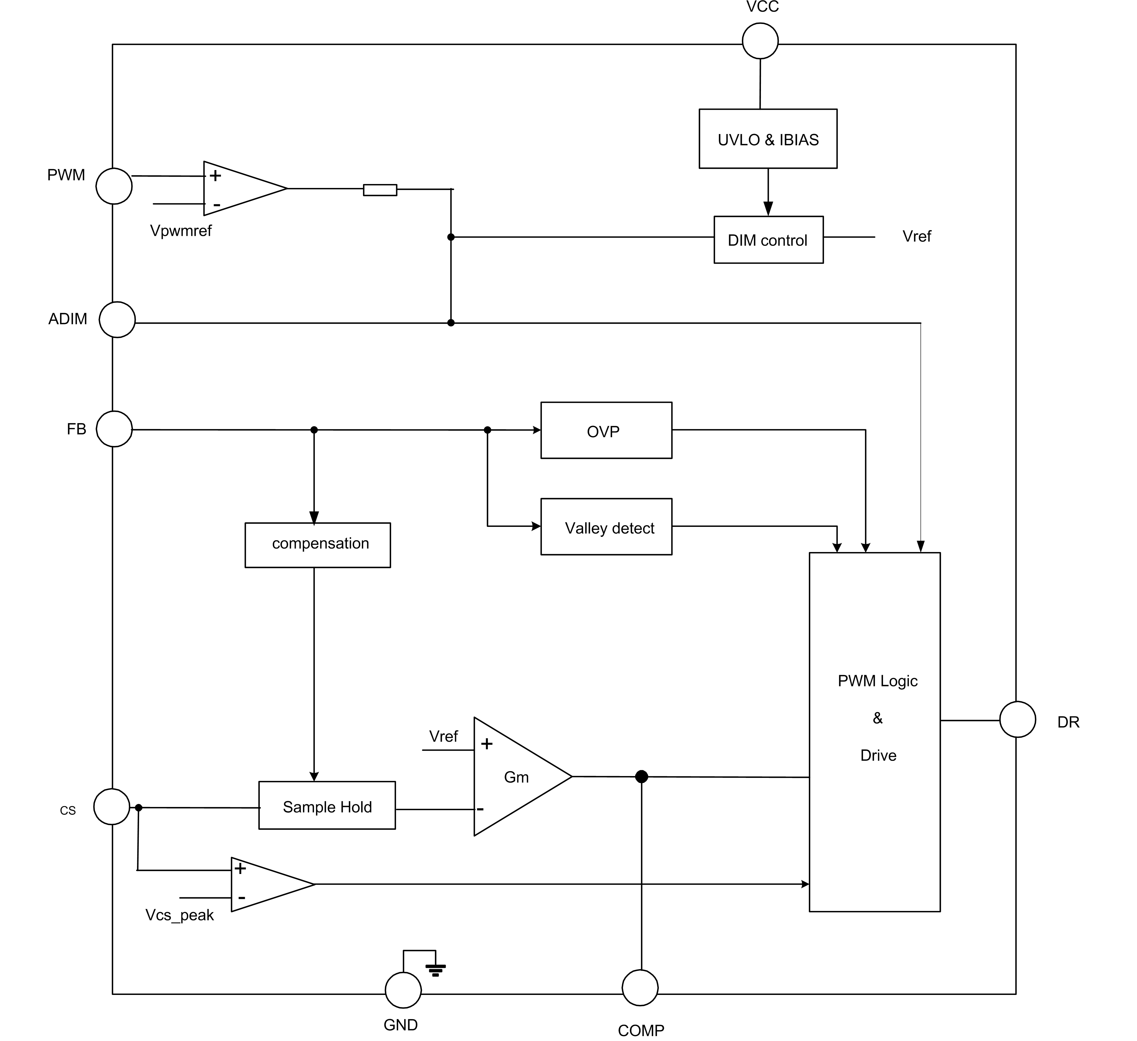
The SD7880A is a single stage primary side regulation high power factor LED driver with dimming function, it has PWM and linear dimming functions, with dimming depth up to 5%, it is mainly used in isolated flyback smart LED lighting system.
The SD7880A provides accurate constant current control and operates in boundary conduction mode (BCM) with high efficiency. It adopts primary side regulation eliminating the opto-couple, secondary feedback control and loop compensation, which effectively simplifies the design and reduces the system cost.
The SD7880A provides complete protections such as short LED protection, open LED protection and over temperature protection, etc.
Dimmable range of 5% to 100%
PSR flyback topology
Boundary conduction mode
Low start-up current
Leading edge blanking
VCC over voltage protection
VCC under voltage lockout
Over temperature protection
Short LED protection and Open LED protection
| Product Name | Package form | Marking | Hazardous Substance Control | Packing Type | Remarks |
|---|---|---|---|---|---|
| SD7880A | SOP-8-225-1.27 | / | Halogen free | Tube | |
| SD7880ATR | SOP-8-225-1.27 | / | Halogen free | Tape & reel |

| title | Types of | Size (KB) | date | Download the latest English version |
|---|---|---|---|---|
| SD7880A | 0 | 2020-04-08 | SD7880A Brief Datasheet |