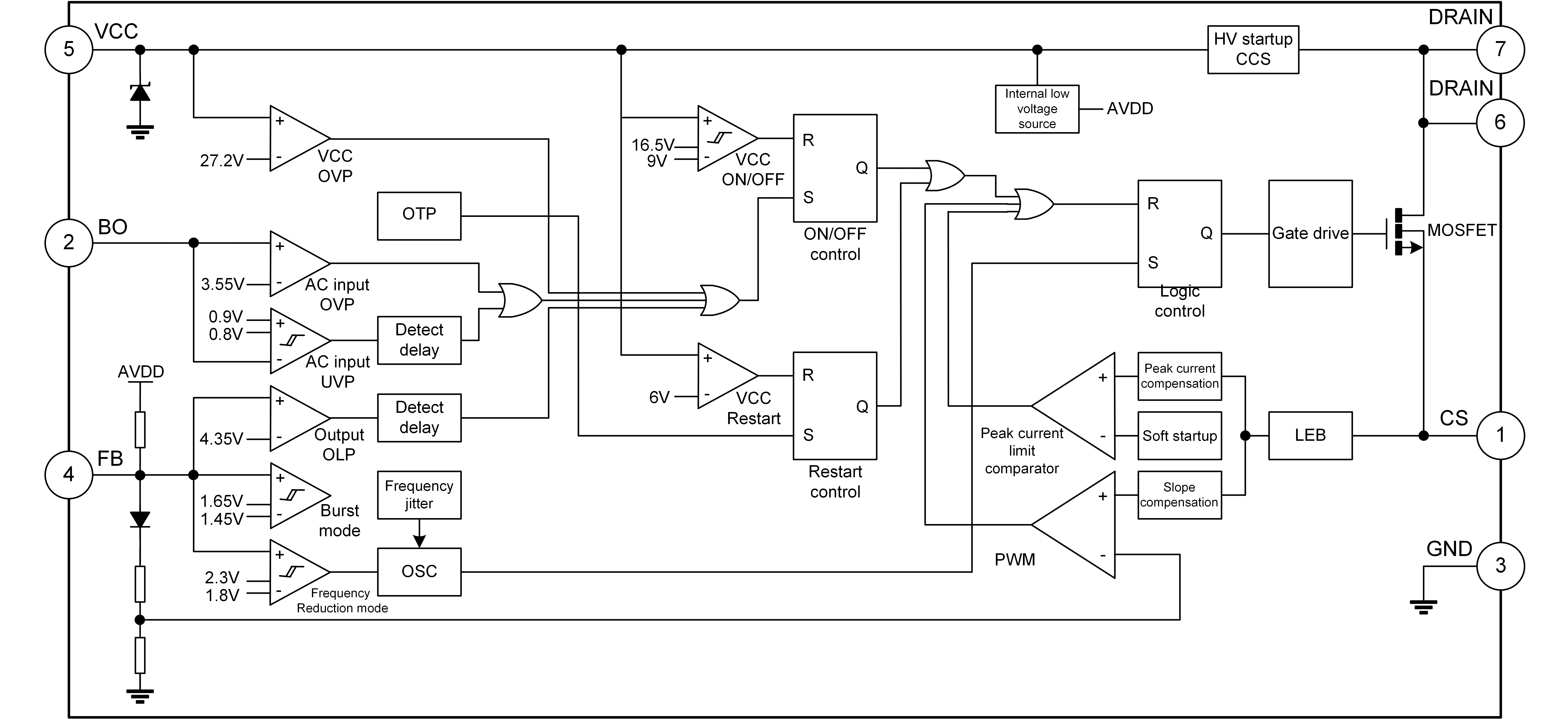
SDH8655B is current mode PWM+PFM controller used for SMPS, with built-in high voltage MOSFET, high-voltage startup constant current source, and external sensing resistor.
SDH8655B has a built-in high-voltage startup constant current source, features low standby power dissipation and multi-mode control. At heavy load condition, it works in PWM mode. At light load condition, it works in PFM mode to improve the conversion efficiency. At no load, it enters burst mode to reduce the standby power dissipation.
SDH8655B integrates switching frequency jitter to achieve low EMI. Built-in peak current compensation circuit makes the limit output power consistent even with different input AC voltages. Built-in soft startup reduces the transformer stress during power-on process to avoid transformer saturation.
SDH8655B integrates comprehensive exceptional protections including leading edge blanking (LEB), cycle-by-cycle peak current limit, VCC overvoltage protection(OVP), output overload protection(OLP), AC input undervoltage protection(AC_UVP), AC input overvoltage protection (AC_OVP) and over-temperature protection(OTP) etc.
High-voltage startup
Low standby power dissipation
Multi-mode control
Switching frequency jitter
Peak current compensation
Soft startup
Leading edge blanking (LEB)
Cycle-by-cycle current limit
VCC overvoltage protection (OVP)
Output overload protection (OLP)
AC input undervoltage protection (AC_UVP)
AC input overvoltage protection (AC_OVP)
Over-temperature protection (OTP)
| Product Name | Package form | Marking | Hazardous Substance Control | Packing Type | Remarks |
|---|---|---|---|---|---|
| SDH8655B | DIP-7-300-2.54 | SDH8655B | Halogen free | Tube |

| title | Types of | Size (KB) | date | Download the latest English version |
|---|---|---|---|---|
| SDH8655B | 0 | 2023-08-24 | SDH8655B Brief Datasheet |