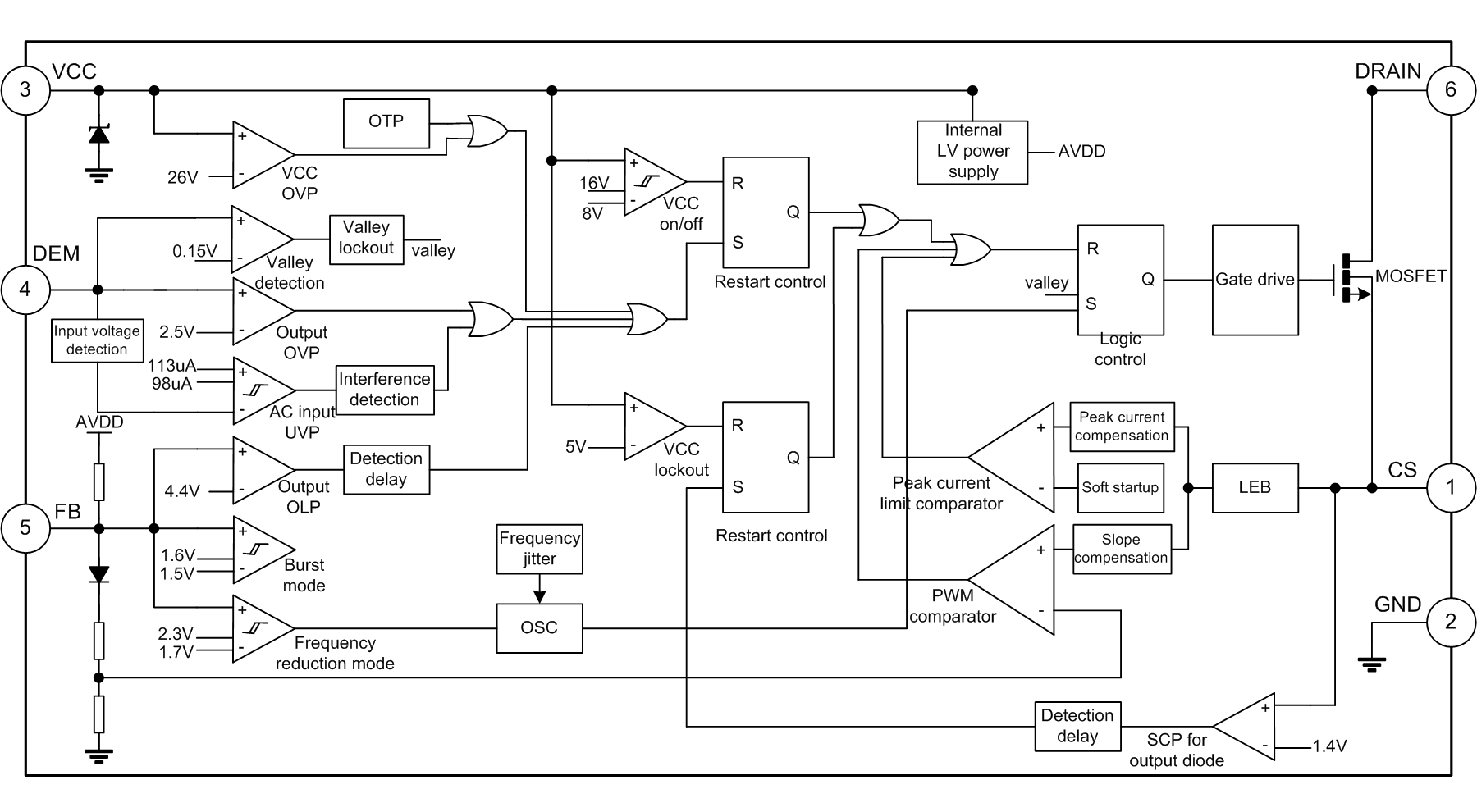
The SD8666QS is a quasi-resonant current mode PWM+PFM controller with built-in high voltage power MOSFET, and external sensing resistor, is applicable to SMPS applications.
The SD8666QS features multi-mode control., At heavy load condition. it operates in QR mode to reduce switch loss in the high line input voltage, and it operates with fixed frequency (65KHz) in CCM mode in the low line input voltage. At medium load or light load conditions, it works in QR+PFM mode to improve the conversion efficiency. At no load condition, it enters burst mode to reduce the standby power dissipation.
The SD8666QS has frequency jitter function for low EMI. The available peak current compensation function ensures the limit output power consistency even with different AC input voltages. The soft startup reduces the device stress during power-on process.
The SD8666QS integrates comprehensive protections including VCC overvoltage protection, output over-load protection, output overvoltage protection, leading edge blanking, cycle-by-cycle peak current limit, short circuit protection for output diode, AC input voltage undervoltage protection and over temperature protection, etc.
QR mode for low EMI and low switch loss
PFM mode at light load condition for higher conversion efficiency
Entering burst mode at no load condition
Frequency rising at low voltage and heavy load condition for high limit output power
Frequency jitter for low EMI
Peak current compensation
Soft startup
VCC overvoltage protection
Output overload protection
Leading edge blanking
Cycle-by-cycle current limit
Output diode short protection
Undervoltage protection for AC input voltage
Adjustable output overvoltage protection
Over temperature protection
| Product Name | Package form | Marking | Hazardous Substance Control | Packing Type | Remarks |
|---|---|---|---|---|---|
| SD8666QS | EHSOP-5-325-1.7 | SD8666QS | Halogen free | Tube | |
| SD8666QSTR | EHSOP-5-325-1.7 | SD8666QS | Halogen free | Tape&Reel |

| title | Types of | Size (KB) | date | Download the latest English version |
|---|---|---|---|---|
| SD8666QS | 0 | 2020-10-23 | SD8666QS Brief Datasheet |